반응형
가설전기공사는 완공 이후 해체되는 가설물로 설치 비용 절감, 공기단축, 불특정 다수 사용자, 완공 후 사용을 위한 절차 부재 등의 이유로 설치·사용의 안정성이 확보되지 않을 가능성이 있다. 이로 인해, 사용 중 감전사고로 사망자가 발생한다.
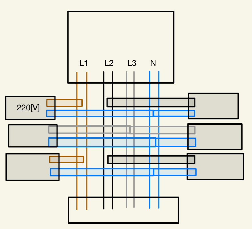
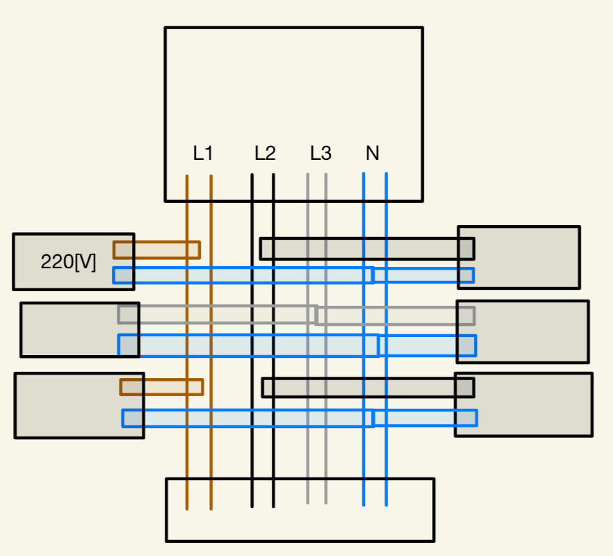
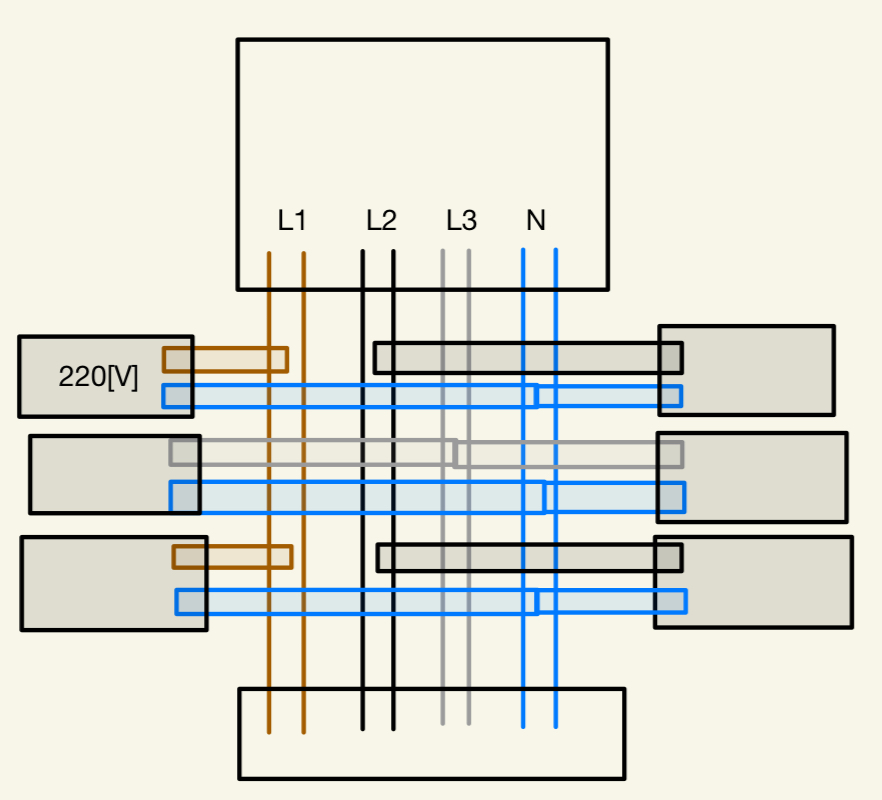
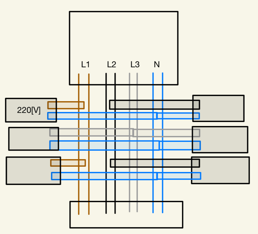
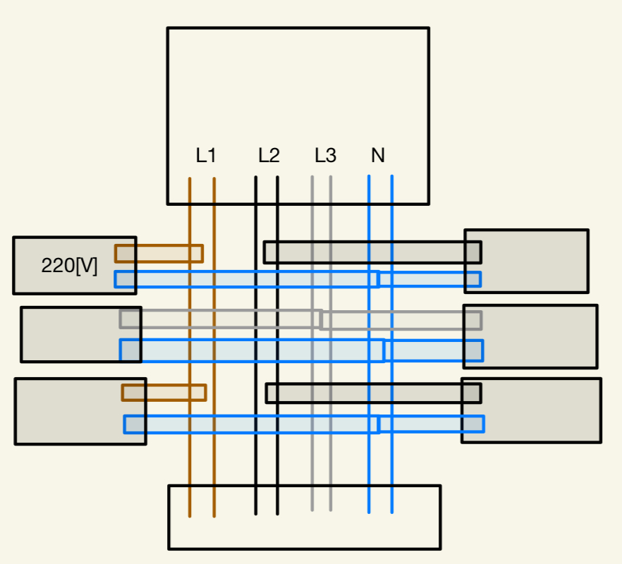
현장 등에 사용하는 가설전기는 3상4선식을 입력받아 3상3선식 또는 단성2선식을 만들어 사용한다. 델타 결선을 사용하는 3상3선식을 입력받으면 N선의 부재로 380[V] 공급이 어렵다. 3상4선식은 (L1)-(L2)-(L3) 3선으로 380[V] 를 만들어 3상 모터 등에 사용할 수 있다. 또한 (L1)-(N), (L2)-(N), (L3)-(N) 를 이용하면 220[V]를 이용할 수 있다.

반응형
'Certificate Data > 전기공학' 카테고리의 다른 글
| 데이터센터 분류 : 신뢰성(Tier), 규모, 운영 목적 (0) | 2026.01.29 |
|---|---|
| 전기공사 변압기 인양 시 주의사항 (2) | 2025.03.23 |
| 전기설비의 화재예방 등을 위한 KESC 일부개정(24.12.06.) (0) | 2024.12.07 |
| 최근 3년간 전기난로 & 장판 화재 발생 원인 (0) | 2024.11.27 |
| 전압과 주파수를 가변시켜 전동기의 속도를 제어하는 인버터 (0) | 2024.11.25 |